Product Description
*Fits Kawasaki 1976-1977 KZ900, 1977-1980 KZ1000 and 1981-1983 KZ1000J
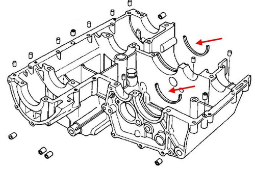
It is the half moon ring that locks the bearing into the cases. There are two of them in each engine.
Product Videos
Custom Field
Product Reviews
1 Review Hide Reviews Show Reviews
-
Transmission spacer rings
Hard to find OEM part . Great price and super fast shipping


